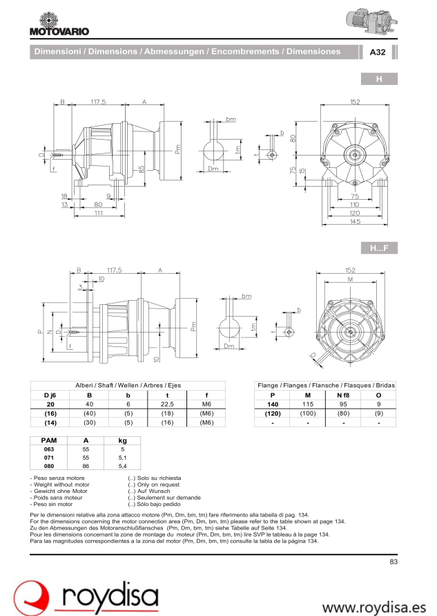
Reductores engranajes linea MOTOVARIO Serie H
Reductores coaxiales Serie H – fundición (H, PH, CH, IH)
Son reductores proyectados para ofrecer el máximo nivel de fiabilidad incluso en condiciones de funcionamiento especialmente duras, los productos de la serie H garantizan condiciones de absoluta versatilidad y están indicados para aplicaciones que requieren elevadas cargas radiales.
Una amplia gama de modelos, disponibles en la versión de hierro fundido desde el tamaño 030 al 140.

H – PH (Predisposición conexión motor con acoplamiento elástico)


IH (Con eje macho de entrada)
Características
- Carcasas con patas, brida F y universales U
- 1, 2 y 3 trenes de engranajes
- Engranajes de acero templado y revenido con perfil desbarbado o rectificado
- Carcasas de fundición gris G200 de elevada resistencia optimizadas mediante análisis FEM
- Grupos adaptados para soportar altas cargas axiales y con alta fiabilidad
- Capacidades de carga cálculadas según ISO 6336 y comprobadas según AGMA 2001
- Pintados con polvo epoxi-poliéster azul RAL 5010
- Versión disponible ATEX 2GD/3GD
- Accesorios: bridas de salida, dispositivo antirretorno, salidas reforzadas
Tamaños y rangos
030-040-050-060-080-100-125-140

Capacidades
- Potencias desde 0,12 kW hasta 45 kw
- Relaciones de reducción comprendidas entre 1,23 y 282,10
- Valor de par máx. 8.000 Nm
- Carga radial máxima admisible 55.000 N
Reductores coaxiales Serie H – Aluminio (HA – IHA – CHA)
Proyectados para ofrecer el máximo nivel de fiabilidad incluso en condiciones de funcionamiento especialmente duras, los productos de la serie HA garantizan condiciones de absoluta versatilidad y están indicados para aplicaciones que requieren elevadas cargas radiales.
Una amplia gama de modelos, disponibles en la versión de aluminio desde el tamaño A30 al A60.



Características
- Carcasas con patas, brida F y universales U
- 1, 2 y 3 trenes de engranajes
- Engranajes de acero templado y revenido con perfil desbarbado o rectificado
- Carcasas de aleación de aluminio fundido bajo presión
- Grupos adaptados para soportar aplicaciones exigentes pero uniformes, con dotes de particular ligereza
- Capacidades de carga cálculadas según ISO 6336 y comprobadas según AGMA 2001
- Pintados con polvo epoxi-poliéster azul RAL 5010
- Versión disponible ATEX 3GD
Tamaños y rangos
A30-A40-A50-A60

Capacidades
- Potencias desde 0,12 kW hasta 4.8 kw
- Relaciones de reducción comprendidas entre 1,33 y 353,98
- Valor de par máx. 480 Nm
- Carga radial máxima admisible 8.000 N
Más información:
Folleto Reductores Coaxiales H
Catálogo Técnico Reductores Coaxiales H
Tabla de Recambios Reductores Coaxiales H
Manual completo reductores y motovariadores
Planos de dimensiones Serie H – HA
[/vc_column_text][/vc_column][/vc_row]
